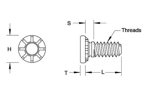
SD High-Strength Self-Clinching Studs


Product PDF