NA Floating Self-Clinching Nuts

NA Floating Self-Clinching Nuts


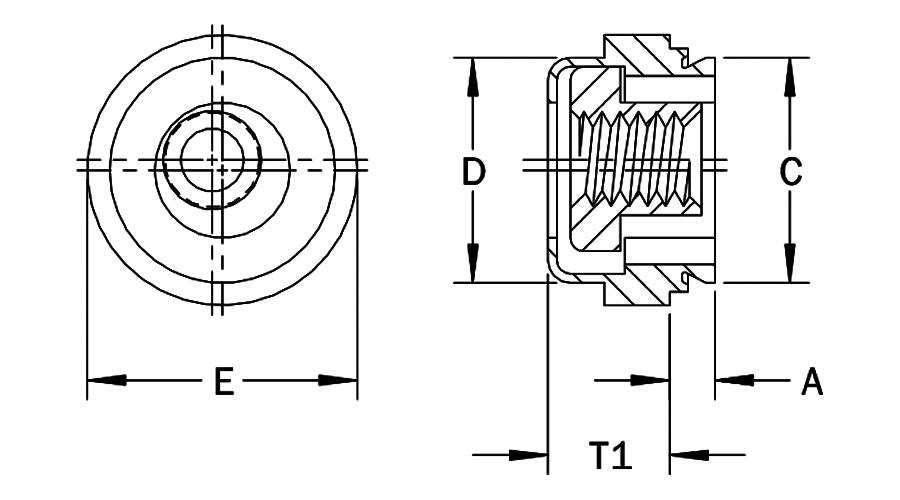
Self-Clinching Nuts Features

  • Internal floating self-clinching nuts feature allows up to .030” (0.76mm) lateral adjustment to compensate for misalignment with mating fastener.
  • Permanent installation in aluminum, carbon steel and stainless steel sheets.
  • Self-locking version provides uniformity of locking torque equivalent to NASM25027 specifications.
  • Choice of RoHS–compliant materials and finishes.
Product PDF